Note_NAA_基于模态法的多自由度结构的受迫振动计算
参考资料:<计算固体力学>、
等
这篇文章不会是详细论述,仅仅是一个简略的笔记.
受迫振动分析,也称稳态动力学分析(abaqus中)、频响分析、谐响应分析.
谐响应分析是研究不同频率的外载荷作用下结构的相应幅值.这里的外载荷是随时间按照正弦规律变化的,或同时施加,或同相位.
本文只讨论所有外载荷频率一致的加载情况,不同频率载荷作用需进行动力响应分析
假设结构受外载荷作用,在初始的一段时间内,存在一个瞬态反应.但是由于阻尼作用会逐步衰减,进入稳态反应阶段.稳态运动的频率和外载荷频率一致.谐响应分析主要是求解稳态阶段,不考虑瞬态阶段
谐响应分析的应用场景之一:求解大楼对其中的恒速旋转机械的响应.
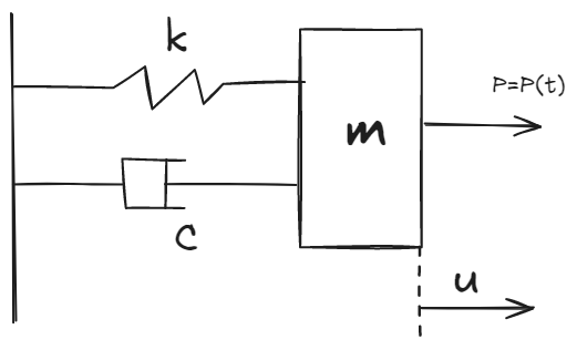
simple case: SDOF
考虑最简单的单自由度系统:M-K-C系统.如下:

假设力加载P=P(t)是谐载荷,\(\Omega\)是圆频率(rad/s),\(F_0\)是常数.

此时,单自由度系统的稳态位移响应为:

可以发现,位移响应落后于加载的相位角\(\alpha\), 振幅和\(F_0/k\)成正比【放大系数】,当beta接近1.0的时候就会发生共振,共振时候位移幅值只受到阻尼xi的限制,如果无阻尼,就会无限大.如果beta>>1.0 , 位移响应就几乎为0,因为载荷变化过快,结构没反应过来.
MDOF
MDOF 结构和SDOF结构的行为在定性地来说,两者基本一致.求解多自由度结构的受迫振动,有两种方法:1)模态叠加法;2)模态直接法
模态叠加法
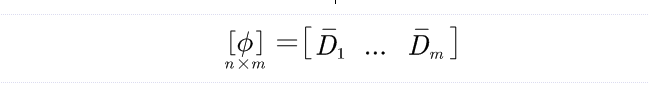
首先,计算结构的动力特性【特征值/特征向量】,得到m个结构模态频率omega_i和对应的振型向量\(\bar{D}_i\) (i=1~m). 振型向量需质量归一化.
质量归一化:

其次,根据叠加原理及模态方程可以认为:

因此只要求出Z_i就可以计算出u(t);利用模态坐标将载荷转换为模态载荷:

对于每个模态载荷,有:

这个方程的解形式:

最后,只要得到Z_i和D_i就可以知道频率\(\Omega\)下的位移峰值.
如果\(\Omega\)取值为一系列值,那就可以计算出稳态位移峰值随频率的变化.
模态直接法
某些谐响应计算可以用复数简化,以下不是严格的理论推导.
把谐响应方程改成:

如果阻尼为0,那么动力刚度矩阵就相当于刚度矩阵K的每个对角元素上附加一个负刚度\(-\Omega^2M_{ii}\). 这个时候如果\(\Omega\)和模态频率一致,就会造成动力刚度为0.
这个式子的缺点是:1) 容易病态;2)耗时长.因此常用模态矩阵重写来克服这个缺点.
模态矩阵定义:

用模态矩阵转换节点位移/速度/加速度得到模态坐标Z_i(i=1~m),模态坐标是一个浮点数:

这样子谐响应方程就可以重写:

这样就可以求出结构的稳态响应幅值和圆频率\(\Omega\)的关系.